Расчет схем потребителей с параллельным подключением теплообменника на ГВС можно выполнять на:
Жестко заданные испытательные параметры, «зашитые» в программе:
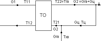
T11 = 70, T12 = 30, а T21 и
T22 берутся по значениям холодной и горячей воды,
заданной на источнике;
Параметры, которые пользователь сам может задавать на потребителе. Испытательные параметры теплообменного аппарата, температуру холодной и горячей воды, и подключать второй контур ГВС как без циркуляции, так и с циркуляцией.
При расчете с циркуляцией нужно дополнительно задать расчетный расход на циркуляцию, как долю в процентах от расчетного расхода на ГВС и расчетную температуру воды в циркуляционном контуре на выходе из потребителя.

Расчетный расход сетевой воды при работе с циркуляцией для того же теплообменного аппарата будет отличаться от расчетного расхода при работе без циркуляционной линии.
Например, аппарат был рассчитан на следующие параметры:
Q = Qгв = 0.1 Гкал/ч
T11 = 70 °C
T12 = 30 °C
Tхв = T21 = 5 °C
Tгв = T22 = 60 °C
Тогда без циркуляции
G1 = 1000*Q/(T11-T12) = 2.5 т/ч
Gгвс = G2 = 1000*Q/(T11-T12) = 1.82 т/ч
Если циркуляционный расход равен 50% от расхода на ГВС и температура в циркуляционной
линии Tц = 45 °C
Gц = 0.5*Gгвс = 0.91т/ч
Потери тепла на циркуляцию Qц = Gц*(Tгв-Tц) = 0.014 Гкал/ч
Расход второго контура ТО будет суммой расхода на ГВС и на циркуляцию
G2 = Gц + Gгвс = 2.73
Температура на входе второго контура ТО будет равна температуре смеси циркуляционной воды и подпитки холодной воды.
T21 = (Gгвс*Tхв+Gц*Tц)/G2 = 18.3
Q = Qгв + Qц = 0.114 Гкал/ч
G1 = 3.29 т/ч
То есть сетевой расход для того же ТО при таких параметрах циркуляции увеличился на 32%
![]() | Примечание |
|---|---|
|
В этом случае значения:
|
![]() | Примечание |
|---|---|
|
Желательно, чтобы потери напора соответствовали потерям напора при испытательном
расходе первого контура. Рекомендуется все потери первого контура ТО при
испытательном расходе целиком задавать в поле |